高頻/同軸/波導旋轉接頭以前主要用于軍工領域,隨著軍民融合政策的逐步落地, 民用產品也越來越多用到高頻滑環等系列產品,主要應用于360度連續旋轉且需要保證電源,高頻波導信號不能中斷的場合:如各種軍用雷達,船載衛星通信裝置,車載衛星通信設備,衛星車,應急救災指揮車,高端機器人、車輛上的轉動炮塔、遠程控制系統、雷達天線、醫療系統、視頻監視系統、保障國家或國際安全系統海底作業系統、緊急照明設備、機器人、展覽/顯示設備等;

| 技術規格參數 | ||||
| 高頻部分技術指標 | 機械技術指標 | |||
| 通道 | 通道 1 | 通道 2 | 參數 | 數值 |
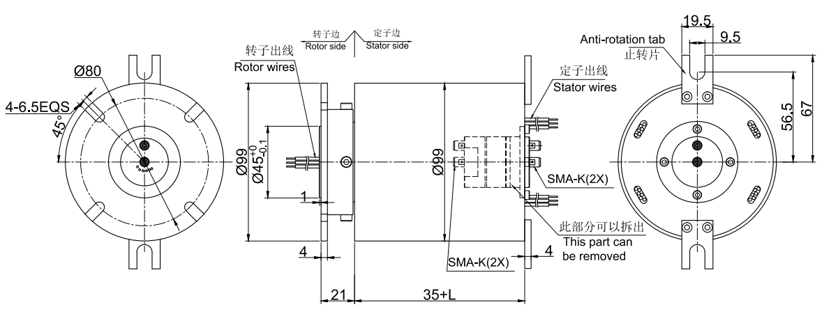
| 接口類型 | SMA-F(50Q) | SMA-F(50Q) | 工作壽命 | 500萬轉 |
| 頻率 | DC-4.5GHz | DC-4.5GHz | 轉速(最大值) | 50RPM |
| 峰值功率(最大值) | 1KW | 1KW | 工作溫度 | -30℃~70℃/ -45℃~85℃ |
| 平均功率(最大值) | 50W@1GHz | 50W@1GHz | 工作濕度 | 0~85% RH/ 0~97% RH |
| 電壓駐波比(最大值) | 1.25 | 1.6 | 貯存溫度 | -50°C~85°C |
| 電壓駐波波動(最大值) | 0.1 | 0.2 | 接觸材料 | 金-金 |
| 插入損耗(最大值) | 0.2 | 0.8 | 殼體材料 | 鋁合金 |
| 插入損耗波動(最大值) | 0.15 | 0.2 | 轉動扭矩 | 0.1N.m;+0.03N.m/6路 |
| 隔離度(最小值) | 60dB | 60dB | 防護等級 | IP51 |
| 電氣技術指標 | ||||
| 參數 | 數值 | |||
| 功率 | 信號 | |||
| 額定電壓 | 0~440VAC/VDC | 0~240VAC/VDC | ||
| 絕緣電阻 | ≥1000MΩ/500VDC | ≥1000MΩ/500VDC | ||
| 導線規格 | AWG16#鍍錫鐵氟龍 | AWG22#鍍錫鐵氟龍 | ||
| 導線長度 | 標準長度300mm(可據要求調整) | |||
| 絕緣強度 | 500VAC@50Hz,60s | |||
| 動態電阻變化值 | <0.01Ω | |||








經過多年的經驗積累,默孚龍擁有20萬多個產品3D圖檔數據庫,
由于互聯網的開放性和同行競爭,需要產品3D圖檔的客戶請留下電子郵箱或者QQ。
審核完聯系方式后,我們的系統將在5分鐘內把3D自動發動到您的電子郵箱!