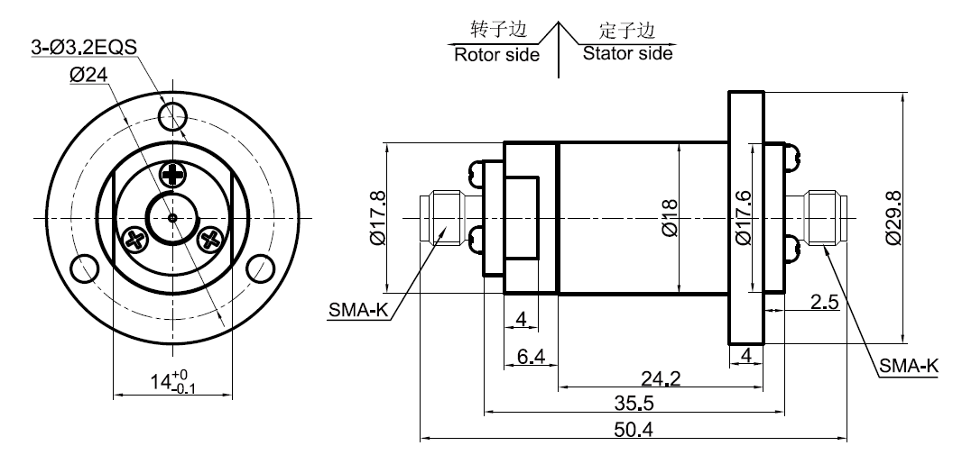
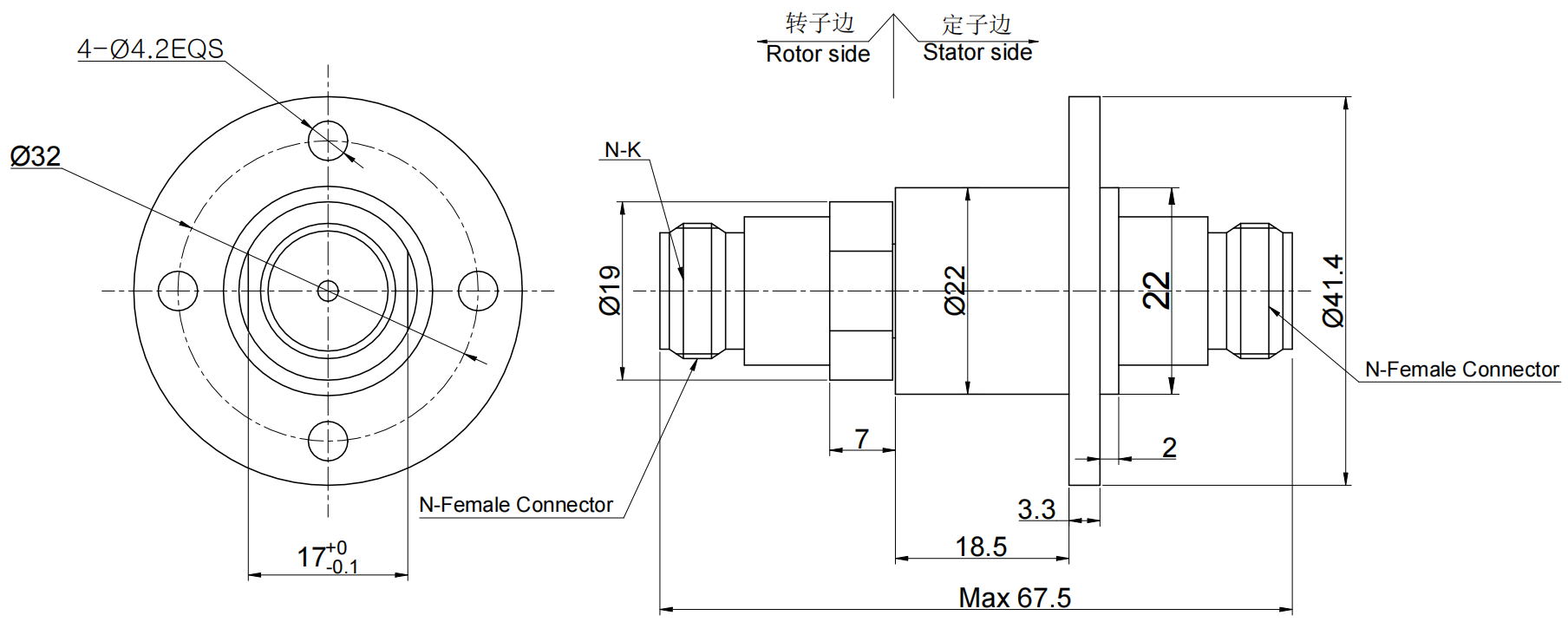
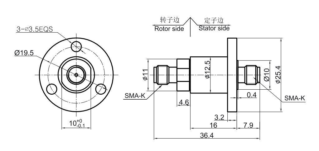
高頻/同軸/波導旋轉接頭以前主要用于軍工領域,隨著軍民融合政策的逐步落地, 民用產品也越來越多用到高頻滑環等系列產品,主要應用于360度連續旋轉且需要保證電源,高頻波導信號不能中斷的場合:如各種軍用雷達,船載衛星通信裝置,車載衛星通信設備,衛星車,應急救災指揮車,高端機器人、車輛上的轉動炮塔、遠程控制系統、雷達天線、醫療系統、視頻監視系統、保障國家或國際安全系統海底作業系統、緊急照明設備、機器人、展覽/顯示設備等;

| 技術規格參數 | |
| 機械技術指標 | |
| 參數 | 數值 |
| 工作壽命 | 500萬轉 |
| 額定轉速 | 100RPM |
| 工作溫度 | -30℃~80℃ |
| 工作濕度 | 0~85% RH |
| 接觸材料 | 金-金 |
| 殼體材料 | 不銹鋼 |
| 轉動扭矩 | 0.1N.m;+0.03N.m/6路 |
| 防護等級 | IP51 |








經過多年的經驗積累,默孚龍擁有20萬多個產品3D圖檔數據庫,
由于互聯網的開放性和同行競爭,需要產品3D圖檔的客戶請留下電子郵箱或者QQ。
審核完聯系方式后,我們的系統將在5分鐘內把3D自動發動到您的電子郵箱!