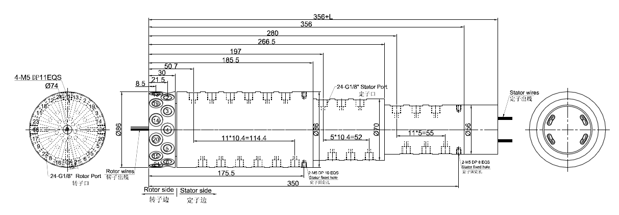
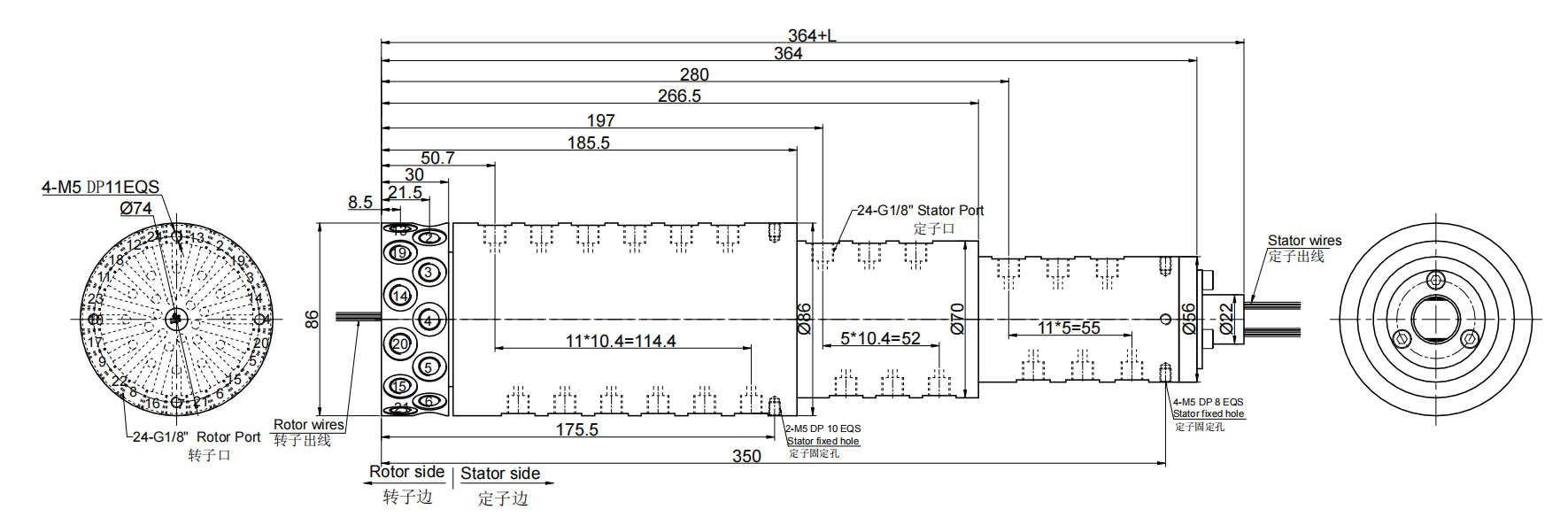
此款氣動旋轉接頭是一款扭力小,性價比超高的旋轉接頭(也叫氣滑環或者氣電), 速度最大可達600RPM, 可單獨傳輸壓縮空氣,真空負壓的同時,也同時能夠傳輸電源信號,主要應用于360度連續旋轉且需要保證氣壓,真空,電源,信號不能中斷的場合:如各種自動化非標設備,鋰電池設備,手機測試設備,手機高端裝備設備,各種激光設備,涂布機 、涂覆隔膜設備 、軟包電池用包裝膜設備,邦定設備 、貼合設備,電子半導體工業自動化設備;光電平板顯示(LCD/LCM/TP/OLED/PDP)工業自動化設備、檢測設備、其他自動化非標專業設備等等。
| 技術規格參數 | ||||
| 旋轉接頭部分技術指標 | 機械技術指標 | |||
| 參數 | 數值 | 參數 | 數值 | |
| 通道數 | 24進24出, G1/8" | 工作壽命 | 1000萬轉以上 | |
| 最大壓力 | 1MPa (可定制高壓),真空 0.01torr | 額定轉速 | 500RPM | |
| 扭矩 | 與接口尺寸相關,詳見選型表 | 工作溫度 | -30℃~80℃ | |
| 電氣技術指標 | 工作濕度 | 0~85% RH | ||
| 參數 | 數值 | 接觸材料 | 貴金屬 | |
| 功率 | 信號 | 殼體材料 | 鋁合金 | |
| 額定電壓 | 0~240VAC/VDC | 0~240VAC/VDC | 防護等級 | IP51 |
| 絕緣電阻 | ≥500MΩ/500VDC | ≥500MΩ/500VDC | ||
| 導線規格 | AWG17#鍍錫鐵氟龍 | AWG22#鍍錫鐵氟龍 | ||
| 導線長度 | 標準長度300mm(可據要求調整) | |||
| 絕緣強度 | 500VAC@50Hz,60s | |||
| 動態電阻變化值 | <0.01Ω | |||








經過多年的經驗積累,默孚龍擁有20萬多個產品3D圖檔數據庫,
由于互聯網的開放性和同行競爭,需要產品3D圖檔的客戶請留下電子郵箱或者QQ。
審核完聯系方式后,我們的系統將在5分鐘內把3D自動發動到您的電子郵箱!