旋轉接頭根據不同的需要、用途、工作原理等進行分類。不同的分類和工作原理有相應的差異。
球形環(也稱為密封環)、圓柱環(也稱為支撐環)、彈簧、管球(旋轉接頭和設備連接器)外殼。球面環的主要功能是密封。一般情況下,球面環的R面和管道球的球面形成密封面。當管球旋轉時,它通過與球形環的R表面摩擦而密封,這也稱為動態密封。球面環的平面與殼體的平面密封。因為球環和球殼是固定的,所以也叫靜密封。
柱環主要用于支撐。柱環的外側連接到殼體的內側,柱環的內側連接到管球。依靠它來支撐管球。彈簧安裝在柱環下方,將柱環向上推至球環上。在球環摩擦和磨損的情況下,彈簧補償推力。
.jpg)
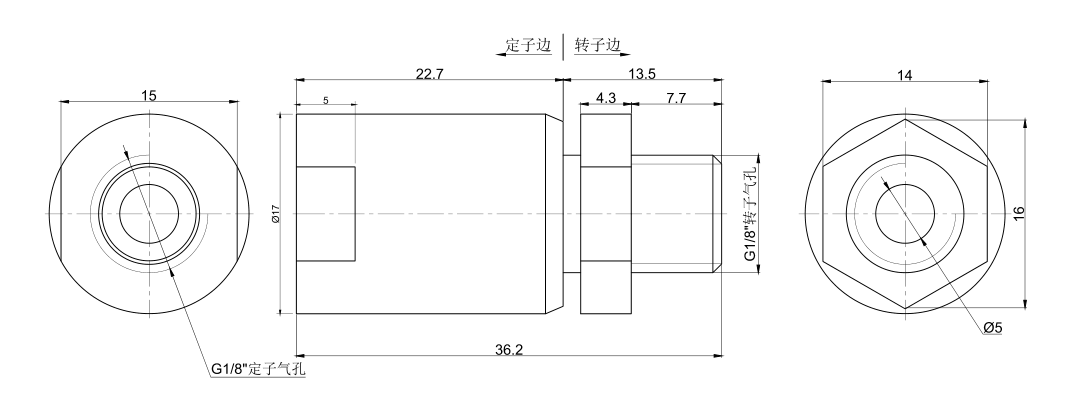
單回路旋轉接頭的連接方式可根據工況選擇。傳輸介質的入口可以根據工作條件自由選擇側面或后端進入。密封面和密封圈由特殊材料制成,耐磨、壽命長、耐腐蝕且無泄漏。旋轉接頭內有兩個精密軸承,穩定耐用,堅固靈活,摩擦系數小,可高速運轉。通過目視檢查產品外觀,可以了解內部密封的磨損情況,防止機械停機或機械損壞,從而達到預防效果,減少損失。更換和維護磨損的密封件很容易,因此無需購買新產品,節省了成本。
.png)
雙回路旋轉接頭可分為雙回路固定接頭和雙回路旋轉接頭。密封面和密封圈由特殊材料制成,耐磨、壽命長、耐腐蝕且無泄漏。通過目視檢查產品外觀,可以了解內部密封的磨損情況,防止機械停機或機械損壞,達到預防效果,減少損失。內部有獨立的管道,可根據不同的工作條件進行選擇,以實現效益最大化。外殼和轉軸由精密軸承支撐,轉動靈活輕便,摩擦小。液體介質可以包括水、油、空氣等。這在行業中被廣泛使用。更換和維護磨損的密封件很容易,因此無需購買新產品,節省了成本。
