防護等級:IP68,中空防水滑環
默孚龍MFS系列防水滑環,防水等級達到IP68,可用于海底300米范圍內各種信號的360度旋轉傳導和傳輸。外殼由不銹鋼制成,耐腐蝕、耐酸堿,能在各種惡劣環境下穩定工作。專用于特種船舶、油井、潛水器等設備中導電或傳輸視頻和各種控制信號。

防水等級為IP68,可在水下300米穩定工作;
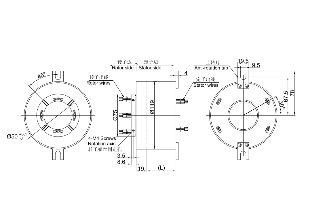
中空防水滑環,孔徑25.4~50毫米,外徑28~119毫米,無標準可定制;
支持1~56通道1A~72A電流/信號;
外殼由不銹鋼制成,耐腐蝕,耐酸堿,能在各種惡劣環境下穩定工作;
訂購型號說明:

圖紙規格:

安裝測試:
